700ZLB/HLB泵
整个系列型谱范围宽广,型号规格齐全,品种分布均匀合理,范围内都可找到适宜的产品来满足各种不同工况。
传统式、无传动轴式各类不同需求:
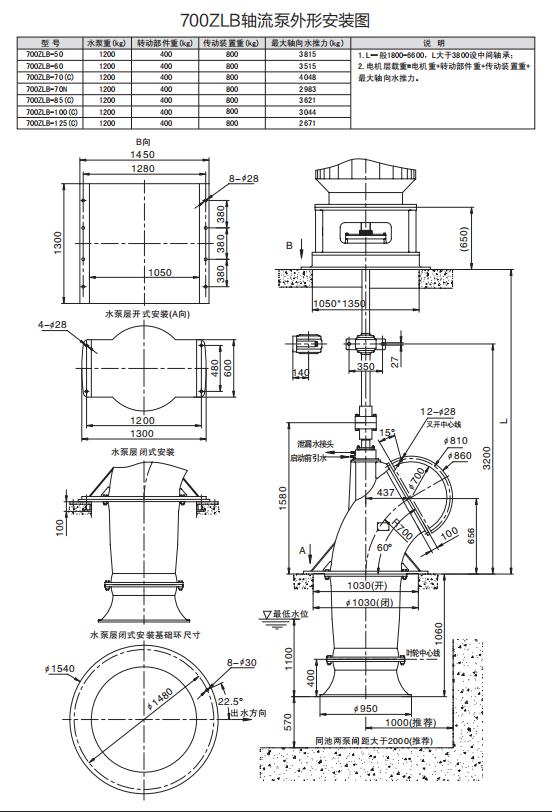
传统式:满足水利工程传统设计及其老泵站的更新改造。
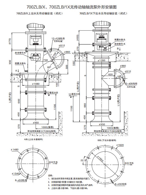
无传动轴:崭新结构的轴、混流泵,传统式泵站厂房为双基础安装(分电机层、水泵层),无传动轴泵站厂房可为单基础安装,可降低泵站的基建投入,机组安装维修方便,省时省力成本低,克服了传统式泵安装费时费力、维修不便以及安装、维护费用大的缺点。
泵水力性能优良、 效率高。
配套通用电机,既经济、维护简单方便,无潜水电机万进水之患,安全可靠。
主要用途:
1. 城镇工矿给排水、市政工程、污水处理。
2. 钢铁、冶金、电厂、造船方面循环、提升水等。
3. 水利工程、江河治理。
4. 农田灌溉、水产养殖、盐场等。
选型参数表
水泵结构
安装形式示意图
产品配件












上一个:600ZLB/HLB泵
下一个:没有了!
下一个:没有了!
























