ZLB/HLB Vertical Flow Pump/ Mixed Flow Pump

Short Description:

The whole series has a wide range of types, complete models and specifications, and even and reasonable distribution of varieties. Suitable products can be found within the range to meet various working conditions.

Traditional and non transmission shaft structure types can meet different needs:

Traditional type: meet the traditional design of water conservancy projects and the renovation of old pump stations.

No drive shaft: shaft and mixed flow pump with new structure. The traditional pump station plant is installed on double foundations (including motor floor and water pump floor). The pump station plant without drive shaft can be installed on a single foundation, which can reduce the capital investment of the pump station. The unit installation and maintenance are convenient, time-saving and labor-saving, and low cost. It overcomes the shortcomings of traditional pump installation, labor-saving, inconvenient maintenance, and large installation and maintenance costs.

The pump has excellent hydraulic performance and high efficiency.

It is equipped with universal motor, which is economical, simple and convenient to maintain, safe and reliable, and free from water intrusion of submersible motor.

Main purpose:

1. Urban industrial and mining water supply and drainage, municipal engineering and sewage treatment.

2. Iron and steel, metallurgy, power plant, shipbuilding, water circulation, lifting water, etc.

3. Water conservancy projects and river regulation.



Parameter

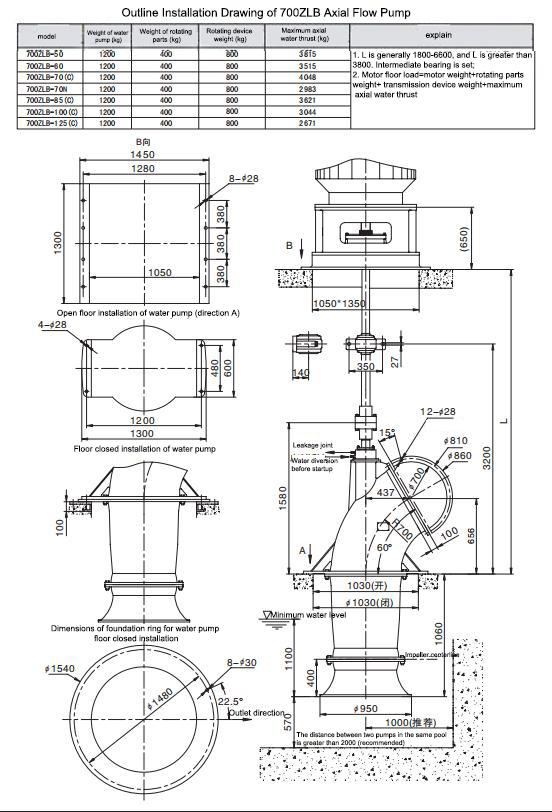
Overall dimensions

installation diagram

Product accessories

1.jpg

 2.jpg


1.jpg









产品配件.jpg