多级立式管道离心泵

CDL/CDLF是一种多功能产品,可以输送从自来水到工业液体的各种不同的介质,适应于不同的温度,流量和压力范围。CDL适用于无腐蚀性的液体,CDLF适用于轻度腐蚀性的液体。供水:水厂过滤与输送、水厂分区送水、主管增压、高层建筑增压。工业增压:流程水系统、清洗系统、高压冲洗系统、消防系统。工业液体输送:冷却和空调系统、锅炉给水与冷凝系统、机床配套、酸和碱水处理:超滤系统、反渗透系统、蒸馏系统、分器离、游泳池灌溉:农田灌溉、喷灌、滴灌。

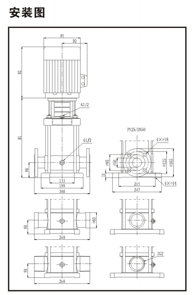
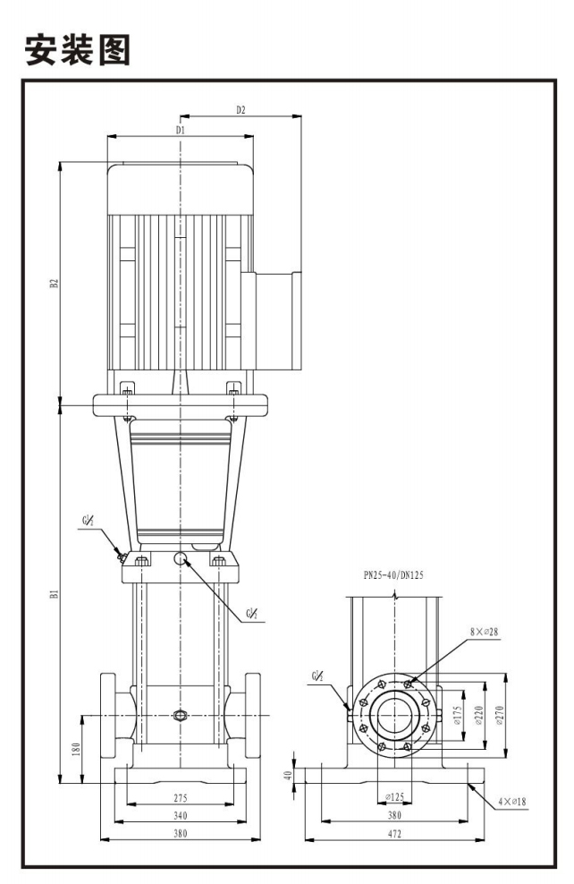
选型参数表 水泵结构 安装形式示意图 产品配件


元素路径: body > p > img
当前已输入10个字符, 您还可以输入9990个字符。
上一个:无负压供水设备
下一个:没有了!