卧式渣浆泵
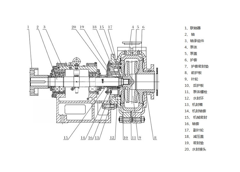
渣浆泵结构:HH型高扬程渣浆泵为悬臂、卧式双壳轴向吸入离心式渣浆泵。泵的突出口位置可根据需要按45℃间隔,旋转八个不同的角度安装使用。
渣浆泵材质:HH型渣浆泵的泵体具有可更换的耐磨金属内衬,叶轮、护套、护板等过流部件均采用高铬耐磨金属。
渣浆泵使用:在小流量低扬程区域内,可以输送强磨蚀渣浆;在高扬程大流量区域内输送轻磨蚀渣浆。适用于冶金、矿山、煤炭、电力、建材等工业部门输送强磨蚀、高浓度渣浆,该类型泵也可以多级串联使用。
密封形式:填料密封、副叶轮密封、填料加副叶轮密封、机械密封等型式。
传动型式:DC直联传动,CR平行皮带传动,ZVZ上下皮带传动,CV立式皮带传动等型式。
选型参数表
水泵结构
安装形式示意图
产品配件

























